1-4 DAYS DELIVERY
SQP21-21-11-86DC-86 SQP1-3-1A-15 SQP43 60 38VQ 86DC-18 SQP21-12-8-86CC-18 SQP31-26-86AA-18 SQP32-38-21-86AC-18 TOKIMEC Vane Pump
100% ORIGINAL AND QUALITY
24 MONTHS GUARANTEE
SQP21-21-11-86DC-86 SQP1-3-1A-15 SQP43 60 38VQ 86DC-18 SQP21-12-8-86CC-18 SQP31-26-86AA-18 SQP32-38-21-86AC-18 TOKIMEC Vane Pump
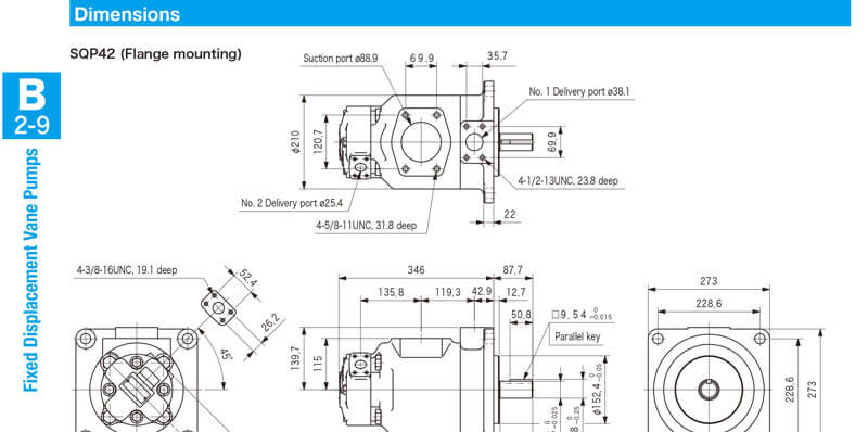
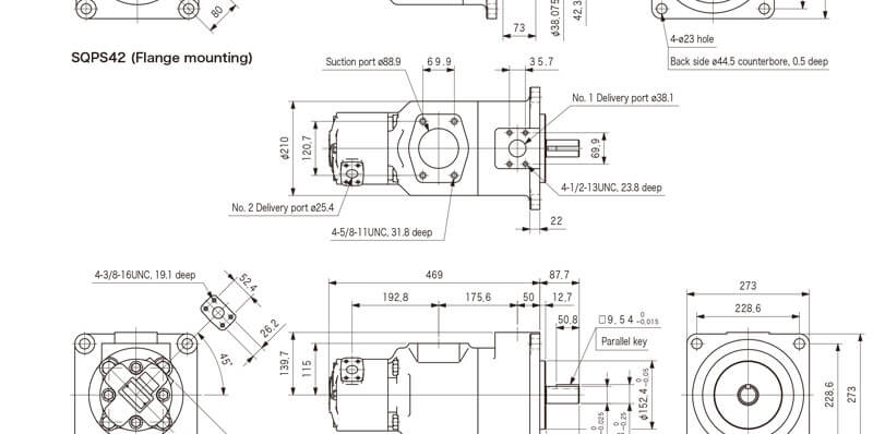
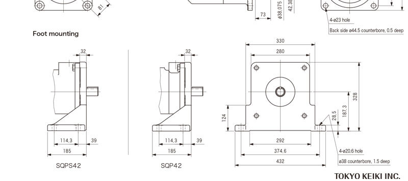
Specification



FAQ
Q: Are you a trading company or manufacturer?
Re: We are the manufacturer.
Q: How long is the Warranty?
Re: One-year warranty.
Q: What are your payment terms?
Re: 100% in advance, long-term dealer 30% in advance, 70% before shipping.
Q: How about the delivery time?
Re: Normal Models within 2 days, unusual models, and bulk order within 5-10 days.
Company Information
Zuosen Hydraulic is one of the world's leading manufacturers and suppliers of professional hydraulic piston pumps, hydraulic vane pumps, gear pumps, hydraulic valves, and accessories. The Factories are located in the Chinese leading manufacturing center- Foshan and Dongguan city.ZUOSEN owned advanced and precision machines and equipment, like Emag gear hobbing machine, Mitsubishi gear hobbing machine, Liebherr gear shaping machine, Horizontal machining center DMG MORI, CNC grinding machine, NC honing machine, CNC lathe, etc. Zuosen also owned the precision measuring equipment, like three coordinates measuring instrument, Gear measuring center, Rockwell hardness tester, the noise test room, Pressure &Flow & Temperature test platform, Surface Roughness & Dynamic Balance Tester leakage detecting tools, etc. Now Zuosen has a hundred long-term distributors and partners worldwide.
Since our foundation, we have been committed to creating maximum long-term value for customers worldwide by providing quality-assured, easy-to-use, cost-effective, and innovative products. To deliver this value to our customers, we make every effort to understand our end-users needs and translate those needs into superior products by maximizing our research and development and manufacturing capabilities. Our team is made up of the most distinguished experts and engineers with years of experience in this industry. We have been investing a minimum of 30% of our annual revenue into new product development. All our products are manufactured with the strictest standards to meet international quality and environmental standards.